Click here to make tpub.com your Home Page

Page Title: Figure 1. Schematic drawing
Back | Up

Click here for thousands of PDF manuals

Google


Web
www.tpub.com

Home

   
Information Categories
.... Administration
Advancement
Aerographer
Automotive
Aviation
Construction
Diving
Draftsman
Engineering
Electronics
Food and Cooking
Logistics
Math
Medical
Music
Nuclear Fundamentals
Photography
Religion
   
   

 




img
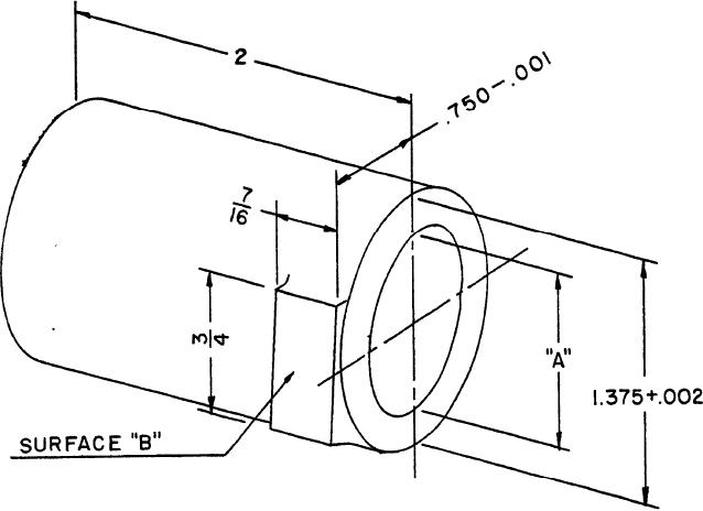
MIL-M-46309B(MU)
FIGURE I
NOTES: 1. Material brass-dimensions in inches.
2. Machine diameter "A" to securely hold auxiliary telescope.
3. Surface "B" to be parallel with vertical centerline of "A"
within 03'.
9

Privacy Statement - Press Release - Copyright Information. - Contact Us

Integrated Publishing, Inc. - A (SDVOSB) Service Disabled Veteran Owned Small Business